濠滨论坛

点击扫描二维码

查看: 3013|回复: 30

[科普] 技术宅眼中的“性奴地窖”

[复制链接]

该用户从未签到

发表于 2015-10-8 07:13 | 显示全部楼层 |阅读模式 来自:江苏
2011 年 9 月,洛阳发生了一件轰动全国的案子,一男子在地下室挖地窖,先后囚禁了 6 名女子,其中最多被囚禁长达 1 年之久。: N: Y! d+ i+ F1 f/ r7 |; U0 ^
随着媒体逐步曝光,案件虽然依旧疑点颇多,但真相也开始越发明朗,很多已公布的犯罪事实震惊了世人。其中一个就是犯罪嫌疑人在 3 年前就开始修挖地窖,地窖在底下 6 米深处,最多时同时囚禁了 5 个人。从完全建好至今,已经使用一年左右。- z: Q; l0 c5 t* |( R0 ]  ?  l3 C
这无疑让所有人吃惊,撇开案件本身不谈,很多人都会存有这样一个疑问:在地下完成如此庞大的工程,地窖难道不会出现变形、坍塌等危险吗?对此,死理性派就做了一个纯技术性的分析。
) t7 W# C' [3 K) S$ X9 W0 k需要说明的是,由于不能实际测量,所以我们采取了 CCTV 对本案的报道中给出的数据(洛阳警方提供)。即便如此,完全计算出最真实情况依然难度极大,所以本文只是一个 简化的数学模型 。不过最终,我们还是通过计算得出了符合实际情况的结论。, P! I  m( l% h* D
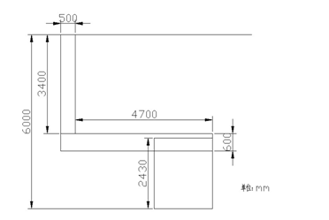
地窖的构造这个地窖在地下 6m 深处,在犯罪嫌疑人购买的地下室的某角落,是一个深 3.4m,直径 50cm 的竖井,下到竖井底部后,有一个宽 51cm,高 60cm的地道,它一直延伸到北头拐角处(地窖入口),全长 4.7 米。穿越地道后就到达了地窖,这个地窖有一面用砖块砌出的宽约 2m 的支承墙,地窖不足 4㎡,高 2.43m ,在距离地窖底部 1.1m 的地方用木板隔成 2 层。如下图所示:4 A( P5 ^+ S) S  f/ o

http://img1.guokr.com/gkimage/g5/17/8n/g5178n.png

http://img1.guokr.com/gkimage/g5/17/8n/g5178n.png
CCTV新闻视频截图& E; Q7 p  ?) _  h
上图示意的结构非常明晰,除了竖井、横向地道和地窖,另外还有砖砌的不连续墙在一些部位做了支护以及支撑。死理性派用CAD画了一张线框图,以便读者更清晰地理解这个地窖工程的整体面貌。' c& G# ~+ `; v% q6 ?* X: r

http://img1.guokr.com/gkimage/v4/er/ap/v4erap.png

http://img1.guokr.com/gkimage/v4/er/ap/v4erap.png
这里还制作了一个简图,描绘了地窖相关结构的基本尺寸。
. N6 b& f( W) M1 W" o; K4 ?

http://img1.guokr.com/gkimage/ix/m2/cb/ixm2cb.png

http://img1.guokr.com/gkimage/ix/m2/cb/ixm2cb.png
影响地窖安全的几个因素看到这里,读者不禁会问:在地下“DIY”一个如此浩大的工程,为什么它可以顺利完成呢?这个地窖又是否是个豆腐渣工程呢?. X# X- N  a: c
根据《洛阳市地面沉降机理及灰色预测分析研究》 《洛河水面工程对洛阳市地下水环境的影响》和《洛阳市复杂地质条件下的地热井施工工艺》几篇文章,以及两份在距离洛阳市西工区较近的地质档案,我们对事发地点的地质和等水文状况进行了推测,并得出如下结论:该地区地下水位很低,大约为 8m 左右。该区域不需要考虑软弱地基。有资料说,洛阳地处黄土高原边缘,历史上,当地居民有穴居的历史,所以从土质上来说存在完成该工程的可能性。
- J' t& R. p: U2 O0 V而对于这样一个地窖,其结构安全性的评价指标主要有承载力和稳定性。承载力是指结构所能承受的最大荷载作用。具体到本文所述的这个工程中,就是地窖的围岩和砖墙提供的支承能力,而荷载则主要来自地窖覆土和其斜上方的楼房。当地窖的承载力不足时,即支承能力小于荷载作用时,就可能会发生变形、沉降、坍塌等后果。
( e9 F7 w$ O5 R- Q另一方面,对于工程结构来说,稳定性的重要性不言而喻,结构一旦失稳就会直接导致地窖墙面开裂、底部隆起、变形甚至坍塌。
0 \0 ^: F. L" I9 d地窖的荷载小于承载力有了上述的数据和分析,现在我们就来算一算。首先计算地窖所受的荷载是否超过了它的承载力极限 N e 。
- K& a  R# f: J8 [1 ~% t地窖承受的荷载有一部分来自斜上方的楼房。由于楼房对地窖的荷载很在分布在较大范围内(整个地窖的顶层上),不能看做集中力。所以不妨让我们把这个分布荷载简化为沿物体中心线分布的平行力看待(工程上称此力系为平面分布线荷载,简称线荷载,记为 F 1 ,单位为 kN/m )。线荷载作用于地窖的砖墙(支承墙)顶部,如果地窖宽度按 B=2m 计算的话,则它承受的来自楼房的荷载就是 F 1 ·B 。3 P* J' h8 t0 ]# X
地窖荷载的另一个主要来源则是其上方的土压力,也就是顶部正上方土壤的重力 W。它等效遇一个相同大小的作用在地窖顶部中央位置的竖直方向的作用力。, ]6 ?5 B+ u  c# C, R2 N& @. j. M6 s
也就是说,当且仅当总荷载 F 1 ·B + W ≤ N e 时,地窖才能支承住。, ^, r3 B9 @1 Z- M4 Q5 D
通过软件模拟,我们可以估算出(详细计算过程 这里 可见):* l$ M5 O! b% m. z) [
F 1 = 96.3 kN/m
1 f( |: J$ S6 h土压力 W 则等于土容重(地窖周围土壤的密度)γ × 地窖顶部的土体积 V(地窖顶部面积 与 顶部距地面深度的乘积),计算出的结果为 67.83 kN 。
3 M' \: Q: t& c8 }8 r根据施工资料显示,每米砖墙的承载力Ne的取值大约在37到350 kN间,地窖宽 2m。则地窖内的砖墙的承载力就范围就是[74 kN,700kN]。* M3 F) ~& S, L. l3 B( I
砖墙要承载地窖受到的总荷载 F 1 + W = 96.3×2+67.83 = 260.43 kN$ }3 T# Y9 C6 \4 T, d4 L2 y6 w
上式表明,砖墙荷载小于其承载力。也就是说,该工程的强度是足够的。
8 B. S. O9 X! R. B# T, C- w地窖顶部稳定性分析在验算了地窖的承载力后,现在我们来考察地窖的稳定性。地窖的稳定性包括顶部稳定性和两侧稳定性。
+ A# m' y3 g( P& i. Z其中,地窖顶部的受力示意图如下所示(地窖的顶部是略有弧度向外凸起的,这样可以有效地分担外力的作用,为了便于计算,在这里我们把它看成一个底角小于30°的等腰三角形):
& W2 V2 K0 c8 f2 @% u* K

http://img1.guokr.com/gkimage/jg/on/a6/jgona6.png

http://img1.guokr.com/gkimage/jg/on/a6/jgona6.png
结构面AC和BC上由粘结力产生的抗剪力为 T1、T3 ;围岩切向应力在结构面上产生的摩擦力为 T2、T4;切向应力对结构体产生的上推力为 T5、T6。它们都属于抗剪力,所谓抗剪力,就是抵抗剪切所能承受的力:物体由于外因(受力、湿度变化等)而变形时,在物体内各部分之间产生相互作用的内力,以抵抗这种外因的作用,并力图使物体从变形后的位置回复到变形前的位置。6 R9 i/ z) V* g% l
从上图可以看到,只有当顶面上的总抗剪力沿垂直方向的分力 F V 大于地窖顶部土壤的单位长度自重 W 时,即 F V ≥ W 其顶部才能达到稳定状态。
( Q. b1 G! \& J3 _分别取不同的 α 值(从0°到30°),计算 F V -W 的值,可以 看到 结果均大于0,这就说明了地窖的顶部结构是稳定的。- Z, Q  ~' s! }# G
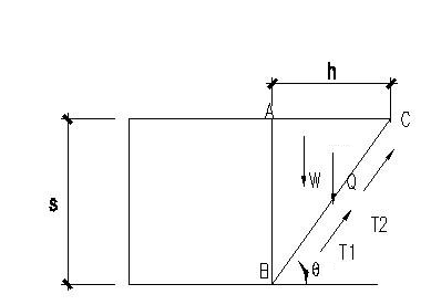
地窖两侧稳定性分析除了地窖顶部需要保持稳定之外,两侧的稳定性也同样重要。; l# I2 ?1 H! K' K
土壤之间存在相互作用的摩擦力,它们的相互作用直接决定了地窖围岩的稳定与否。当土壤内摩擦力不能与土壤自重和附加荷载的合力平衡时,地窖的结构就会处于不稳定状态,从而不再安全。如图所示,以BC面为例(θ为土壤间摩擦力与水平线的夹角,理论上是0°到90°之间的任意角,实际情况下θ一般不会超过60°),这里只需考虑BC面上的滑动力与抗滑力的平衡。在BC面上的总的抗滑力为: T 抗滑力 = T1 + T2
7 x/ _  s) V0 ?) L$ v

http://img1.guokr.com/gkimage/e8/0x/k5/e80xk5.png

http://img1.guokr.com/gkimage/e8/0x/k5/e80xk5.png
其中,T1 表示结构面BC上由粘结力产生的抗剪力;T2 表示结构体自重在BC面上的法向分力产生的抗剪力。而滑动力就是单位坑道长度上结构体的自重W在BC面的切向分力 T = W sinθ。
, r- N' b1 z" Q& M  |" L+ h8 K只有在 T 抗滑力 = T1 + T2 > T 时,结构体ABC也就是地窖侧面才能到达稳定。" C/ M# o# V8 s, |% R
这里我们对 在 [0°,85°] 取遍不同的值,计算 ( T1+ T2 ) –T。得到的结果是,当θ 0;只有在θ > 75°时,(T1+T2) -T0 T2 H0 z1 W, P8 T
而前面已经说过,一般情况下 θ小于75°。也就是说,计算 结果表明 ,这个地窖的两侧也是稳定的。
2 F# ]# J" S7 D" A6 s# L0 x至此,我们通过模拟和计算,可以证明这个案件中的地窖确实是安全的。' {! Q7 |4 B/ s/ F+ M. x& I9 D. s
文中的 详细计算资料 ,供有更多需求的读者下载。南通0
匿名
发表于 2015-10-8 07:23 | 显示全部楼层 来自:江苏
提示: 作者被禁止或删除 内容自动屏蔽
回复 支持 反对

使用道具 举报

匿名
发表于 2015-10-8 07:47 | 显示全部楼层 来自:江苏
提示: 作者被禁止或删除 内容自动屏蔽
回复 支持 反对

使用道具 举报

匿名
发表于 2015-10-8 08:07 | 显示全部楼层 来自:江苏
提示: 作者被禁止或删除 内容自动屏蔽
回复 支持 反对

使用道具 举报

匿名
发表于 2015-10-8 08:27 | 显示全部楼层 来自:江苏
提示: 作者被禁止或删除 内容自动屏蔽
回复 支持 反对

使用道具 举报

匿名
发表于 2015-10-8 08:53 | 显示全部楼层 来自:江苏
提示: 作者被禁止或删除 内容自动屏蔽
回复 支持 反对

使用道具 举报

匿名
发表于 2015-10-8 09:14 | 显示全部楼层 来自:江苏
提示: 作者被禁止或删除 内容自动屏蔽
回复 支持 反对

使用道具 举报

该用户从未签到

发表于 2015-10-8 09:35 | 显示全部楼层 来自:江苏
DIY站也开始侵占果壳了么……
回复 支持 反对

使用道具 举报

匿名
发表于 2015-10-8 09:53 | 显示全部楼层 来自:江苏
提示: 作者被禁止或删除 内容自动屏蔽
回复 支持 反对

使用道具 举报

  • TA的每日心情
    开心
    2014-12-21 17:12
  • 签到天数: 13 天

    [LV.3]偶尔看看II

    发表于 2015-10-8 10:14 | 显示全部楼层 来自:江苏
    13爷都出来膜拜了。。。
    回复 支持 反对

    使用道具 举报

    匿名
    发表于 2015-10-8 10:33 | 显示全部楼层 来自:江苏
    提示: 作者被禁止或删除 内容自动屏蔽
    回复 支持 反对

    使用道具 举报

    匿名
    发表于 2015-10-8 11:01 | 显示全部楼层 来自:江苏
    提示: 作者被禁止或删除 内容自动屏蔽
    回复 支持 反对

    使用道具 举报

    匿名
    发表于 2015-10-8 11:28 | 显示全部楼层 来自:江苏
    提示: 作者被禁止或删除 内容自动屏蔽
    回复 支持 反对

    使用道具 举报

    匿名
    发表于 2015-10-8 11:46 | 显示全部楼层 来自:江苏
    提示: 作者被禁止或删除 内容自动屏蔽
    回复 支持 反对

    使用道具 举报

    匿名
    发表于 2015-10-8 12:02 | 显示全部楼层 来自:江苏
    提示: 作者被禁止或删除 内容自动屏蔽
    回复 支持 反对

    使用道具 举报

    匿名
    发表于 2015-10-8 12:20 | 显示全部楼层 来自:江苏
    提示: 作者被禁止或删除 内容自动屏蔽
    回复 支持 反对

    使用道具 举报

    匿名
    发表于 2015-10-8 12:46 | 显示全部楼层 来自:江苏
    提示: 作者被禁止或删除 内容自动屏蔽
    回复 支持 反对

    使用道具 举报

    匿名
    发表于 2015-10-8 13:05 | 显示全部楼层 来自:江苏
    提示: 作者被禁止或删除 内容自动屏蔽
    回复 支持 反对

    使用道具 举报

    匿名
    发表于 2015-10-8 13:26 | 显示全部楼层 来自:江苏
    提示: 作者被禁止或删除 内容自动屏蔽
    回复 支持 反对

    使用道具 举报

    匿名
    发表于 2015-10-8 13:46 | 显示全部楼层 来自:江苏
    提示: 作者被禁止或删除 内容自动屏蔽
    回复 支持 反对

    使用道具 举报

    匿名
    发表于 2015-10-8 14:08 | 显示全部楼层 来自:江苏
    提示: 作者被禁止或删除 内容自动屏蔽
    回复 支持 反对

    使用道具 举报

    匿名
    发表于 2015-10-8 14:23 | 显示全部楼层 来自:江苏
    提示: 作者被禁止或删除 内容自动屏蔽
    回复 支持 反对

    使用道具 举报

    匿名
    发表于 2015-10-8 14:39 | 显示全部楼层 来自:江苏
    提示: 作者被禁止或删除 内容自动屏蔽
    回复 支持 反对

    使用道具 举报

    匿名
    发表于 2015-10-8 14:56 | 显示全部楼层 来自:江苏
    提示: 作者被禁止或删除 内容自动屏蔽
    回复 支持 反对

    使用道具 举报

    您需要登录后才可以回帖 登录 | 注册

    本版积分规则

    手机版|无图版|站务联系 | 商务合作 | 平台公约

    信息产业部备案:苏ICP备05014191号-1 经营性ICP许可证:苏B2-20110445 苏公网安备 32060202000307号 © 2001-2019 0513.org All Right Reserved.

    投诉争议 技术支持:第一互联 GMT+8, 2025-12-18 07:08 , Processed in 0.232154 second(s), 16 queries , MemCache On. 站点统计

    快速回复 返回顶部 返回列表