濠滨论坛

点击扫描二维码

查看: 32346|回复: 14

濠滨论坛第二十三期公益验房活动报道——天一学士府

[复制链接]

该用户从未签到

发表于 2015-1-31 14:41 | 显示全部楼层 |阅读模式 来自:江苏
" E1 ^( ]2 ~2 ?! J8 I) e; U6 A4 Z0 g9 i6 \, T
    2015年1月31日,赶着新年第一月的最后一天,小编率着濠滨网友们风风火火地赶到了天一·学士府的大楼前!当当当~当,濠滨论坛第二十三期公益验房活动又和各位如期相见啦!感谢网友们对濠滨一如既往地支持哦~  新的一年里,小编我一定会和大家一起努力的!!( I* b2 l+ j6 y1 o9 [' _  g
7 R" c& p# p9 {% g9 B
    有验房需求的网请猛戳起来!!!>>>濠滨家居版送福利啦!公益验房全程免费服务!
, G8 L5 E. p( N$ J. L    你家装修我来监理VIP大升级!!!>>>你家装修我来监理,全新“濠滨VIP监理”服务上线!
! H$ X  o1 H' |2 K6 f: h' c" B% l; }' }0 Y7 i2 `5 M: b
    这期验房结果总得来说都还可以,空鼓面积也较少,集中的几个问题主要是:
. l! T$ V, r$ p    1.卫生间下水需改存水弯;2 b6 g; r( t- U8 N6 N/ M& |
    2.电箱未放电源线;
0 h" y7 \6 N& V    3.煤气远程抄线表未放线;
6 d& ^7 F( X+ o+ j    4.封阳台窗为单层普通玻璃。: j' J; s- t4 |3 E
    验房细节究竟如何,咱慢慢来看......! H4 _' S! B; h( I# S
户型图
户型图.jpg

+ N1 m8 M9 J8 ^0 P# r  g7 a* N3 _
一进门,先测墙面垂直
IMG_5571.JPG

" J1 m3 O- ?6 W  H& E) g* s
IMG_5609.JPG

  T1 G; v7 p, k6 ]- S
卫生间及厨房测下水通畅
IMG_5572.JPG

0 p+ ^) S( F0 w9 P( n! \& O8 O4 H
师傅建议,将卫生间下水改为存水弯
否则时间一长,卫生间容易有发臭
IMG_5574.JPG

+ b% o( P. N9 E4 m- `
朝北的小阳台为保温层,建议可敲除
IMG_5576.JPG

, _/ v7 m. b) F% n( E: N
餐厅处的多媒体箱建议移到对面的卧室
以免进门影响视觉外观

( {& J5 v" y8 v2 E" w
IMG_5578.JPG

( v& H8 ~4 |# C' t" T
阳台的窗户为单层普通玻璃,建议更换
IMG_5585.JPG

* ]0 U: G2 |2 i7 F) S. J2 Z: l
在这里教大家一个小常识:如何辨别钢化玻璃?
如下图,有此标志的便是钢化玻璃
IMG_5586.JPG

" O6 J- L0 m  _2 s% H
客厅西墙上方有一处空鼓,需后期修补
IMG_5590.JPG
2 J% M8 w' g4 v
经检查,客厅一路插座不通电
IMG_5592.JPG
, f' @6 _" }: N
主卧窗台小面积空鼓
IMG_5596.JPG
5 `4 B7 a6 S) z2 n' x( ?; ?
客厅漆底子不太好,建议将墙面油漆铲掉
20150131_100304.jpg

2 t3 j. ]! N' f; W2 N) q4 s
煤气远程抄表未放线
IMG_5614.JPG

) ~, M. s& t4 v) X
阳台处的下水管口可接到外面的管道
20150131_095410.jpg
: Q- L3 k' u; L0 y( I) [( O7 E
最后总结
IMG_5607.JPG
IMG_5615.JPG
南通0

该用户从未签到

 楼主| 发表于 2015-1-31 15:44 | 显示全部楼层 来自:江苏
户型图
QQ截图20150131152107.jpg
, O! w. \4 E# g. }  ^# x
客厅内有两处空鼓
IMG_5640.JPG
IMG_5649.JPG

% L1 z& b; d0 K
主卧窗台空鼓
IMG_5636.JPG
( \1 c8 Z3 O( s* J
主卧墙面粉刷层开裂空鼓
IMG_5635.JPG
IMG_5638.JPG
1 m. H; R# }/ g0 ?
阳台有小面积空鼓
IMG_5652.JPG
( H' }7 _4 y' F  w- e
从这个角度可以清楚地看到,阳台墙角处有凹面
IMG_5622.JPG

: m; j+ O. h/ g2 W+ a
朝北的阳台保温层不是很厚
IMG_5642.JPG
IMG_5643.JPG

$ e8 }( P, u2 L, p8 `  D
卫生间的这块地漏通水不顺畅
20150131_101825.jpg
9 h- B- @; ]5 A
同样,卫生间的下水建议改存水弯
师傅特意配了解说图
IMG_5647.JPG
IMG_5626.JPG

2 a0 u# z$ L# i! L7 H) u# m. h
最后,测量墙面垂直度,没有问题
IMG_5653.JPG
IMG_5657.JPG
- b, B: D, {7 ?
总结
IMG_5650.JPG
回复 支持 反对

使用道具 举报

该用户从未签到

 楼主| 发表于 2015-1-31 15:56 | 显示全部楼层 来自:江苏
户型图
QQ截图20150131154921.jpg

+ |2 |$ U6 L% J% k; Q# t$ l
客厅两处墙角有空鼓
IMG_5677.JPG
IMG_5678.JPG

5 r( K% z4 _2 z# y5 T# ?+ l
墙面垂直度及地面水平测量,均没有问题
IMG_5674.JPG
20150131_112443.jpg

6 s8 e2 J* K. l$ y; C0 |& M. I! `
其他几处问题同上
最后,师傅做出的问题陈列(如下)
IMG_5679.JPG
回复 支持 反对

使用道具 举报

该用户从未签到

 楼主| 发表于 2015-1-31 16:17 | 显示全部楼层 来自:江苏
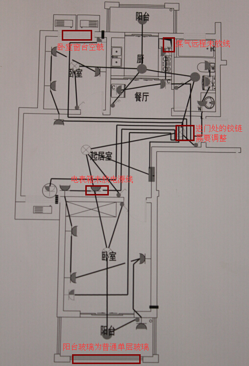
户型图
QQ截图20150131160316.jpg
5 g  O/ F2 y6 \" h* E- M$ s) l
进门处的墙面垂直测量
IMG_5681.JPG
IMG_5682.JPG
4 N" _2 i' N+ R1 |$ \5 R/ s
进户门的铰链需要调整
从门外看,上下裂缝大小不一
这样会导致拉把手门会锁舌卡门
IMG_5685.JPG
IMG_5686.JPG

; q3 X6 ^5 G! R% f: c
电箱没有放置电源线
IMG_5687.JPG

; n% `. B6 [' A* t) n
同样,煤气远程抄表未放线
IMG_5688.JPG

+ w* q3 K" c- @+ ?$ @/ F8 p+ `
卧室窗台空鼓
IMG_5689.JPG
# b% h8 o- q3 W- |
封阳台为单层普通玻璃
IMG_5690.JPG

$ X8 D( K" X4 ~' d' k) _* B
    总的来说,这几户的房子质量问题都不算太大,只要后期稍作修补就可。这期的验房结果就给大伙儿呈现到这儿了!最后,容小编再啰嗦一句,各位报过名的网友请耐心等待哦,也许下一期的验房就是你们家了!
回复 支持 反对

使用道具 举报

匿名
发表于 2015-1-31 16:25 | 显示全部楼层 来自:江苏
提示: 作者被禁止或删除 内容自动屏蔽
回复 支持 反对

使用道具 举报

匿名
发表于 2015-1-31 16:29 | 显示全部楼层 来自:江苏
提示: 作者被禁止或删除 内容自动屏蔽
回复 支持 反对

使用道具 举报

该用户从未签到

发表于 2015-1-31 16:30 | 显示全部楼层 来自:江苏
顶一顶
回复 支持 反对

使用道具 举报

该用户从未签到

发表于 2015-2-2 08:31 | 显示全部楼层 来自:江苏
验房很仔细呢~赞一个~
回复 支持 反对

使用道具 举报

该用户从未签到

发表于 2015-2-2 09:22 | 显示全部楼层 来自:江苏
呵呵房子感觉有点坑啊,不说了

点评

拆迁安置房你懂的,两年不到就起好了,特快  发表于 2015-2-2 18:30
回复 支持 1 反对 0

使用道具 举报

匿名
发表于 2015-2-2 09:45 | 显示全部楼层 来自:江苏
提示: 作者被禁止或删除 内容自动屏蔽
回复 支持 反对

使用道具 举报

匿名
发表于 2015-2-2 10:02 | 显示全部楼层 来自:江苏
提示: 作者被禁止或删除 内容自动屏蔽
回复 支持 反对

使用道具 举报

该用户从未签到

发表于 2015-2-3 08:45 | 显示全部楼层 来自:江苏
很好的活动啊。很多业主对具体怎么验房不是很清楚呢,濠滨论坛这个活动搞得好,希望多多举办,满足更多业主的需求。赞一个
6 c/ F, S$ d0 f4 W3 Y同时也对验房专业技术人员表示敬意。2 g, E/ P7 b( x% n) ^8 y
回复 支持 反对

使用道具 举报

匿名
发表于 2015-2-3 09:22 | 显示全部楼层 来自:江苏 移动/数据上网公共出口
提示: 作者被禁止或删除 内容自动屏蔽
回复 支持 反对

使用道具 举报

匿名
发表于 2015-2-13 13:07 来自手机WAP | 显示全部楼层 来自:江苏
提示: 作者被禁止或删除 内容自动屏蔽
回复 支持 反对

使用道具 举报

您需要登录后才可以回帖 登录 | 注册

本版积分规则

手机版|无图版|站务联系 | 商务合作 | 平台公约

信息产业部备案:苏ICP备05014191号-1 经营性ICP许可证:苏B2-20110445 苏公网安备 32060202000307号 © 2001-2019 0513.org All Right Reserved.

投诉争议 技术支持:第一互联 GMT+8, 2025-12-19 11:07 , Processed in 0.220290 second(s), 19 queries , MemCache On. 站点统计

快速回复 返回顶部 返回列表