濠滨论坛

点击扫描二维码

查看: 5998|回复: 45

新购二手房,诚求装修设计和报价

  [复制链接]

该用户从未签到

发表于 2011-7-12 10:06 | 显示全部楼层 |阅读模式 来自:江苏
' d$ P- q+ d* `1 u( C+ c
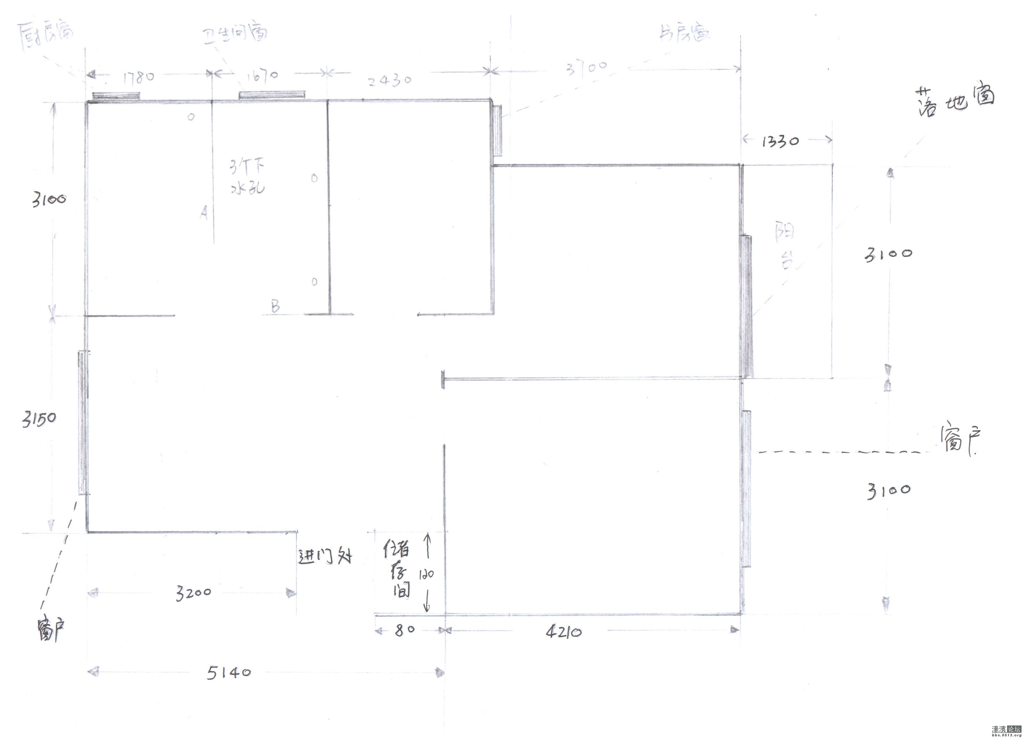
$ V6 [2 ^8 H0 D; Z9 N! x    刚买了套二手房,建筑面积不说了,实际使用面积大约65个平方,具体尺寸见图纸(铅笔画的,将就着看吧)。进门的厅及厨房卫生间地面是瓷砖,三个房间是实木地板。另外图中的A、B墙体不是承重墙,可以全部敲掉任意布置。* x/ C% z! N6 ~3 E# d
   房子大致情况如上,说说装修的要求。& c) z$ a, c% N4 f) F% {# b
1.拆旧,旧的装修全拆,拆成毛坯。拆旧下来的除三个房间的实木地板需要留下继续使用外,其他的橱柜、床、衣柜、门窗等都交由施工队处理。另外水电管线全部换掉。
0 l8 W" v5 N1 G) |2.窗户全都换掉,换成塑钢窗户,另外还要封一下阳台。
* m% b; e1 t# G9 @$ g: K' R6 p3.厨房、卫生间、进门的厅在拆掉旧的瓷砖后重新铺瓷砖,三个房间在实木地板的上面铺强化地板。6 \! z6 J- v+ u- H8 l: r
4.卫生间太小,需要放下马桶、淋浴间、洗衣机、洗面台和洗拖把,需要动下脑筋好好考虑怎么布置。, w1 G0 x3 k. h- o8 D2 m" j8 w5 E# z
5.装修采用半包方式,瓷砖、地板、橱柜、灯具、洁具、门由我购买,其他由装修单位购买。
  }! f7 L  {+ o7 c3 x" B7 |$ ]) z7 w, J
请提供装修设计草图及报价,联系方式:xzyhp@163.com,来信必复(仅留电话、无报价、草图的恕不回复)
2 E6 y5 b6 z$ I" z/ d# d
  g. Z5 C* a7 f! E7 }, P南通0
二手房.JPG
匿名
发表于 2011-7-12 10:23 | 显示全部楼层 来自:江苏
提示: 作者被禁止或删除 内容自动屏蔽
回复 支持 反对

使用道具 举报

匿名
发表于 2011-7-12 10:27 | 显示全部楼层 来自:江苏
提示: 作者被禁止或删除 内容自动屏蔽
回复 支持 反对

使用道具 举报

匿名
发表于 2011-7-12 10:56 | 显示全部楼层 来自:湖南
提示: 作者被禁止或删除 内容自动屏蔽
回复 支持 反对

使用道具 举报

匿名
发表于 2011-7-12 11:12 | 显示全部楼层 来自:江苏
提示: 作者被禁止或删除 内容自动屏蔽
回复 支持 反对

使用道具 举报

该用户从未签到

 楼主| 发表于 2011-7-12 11:27 | 显示全部楼层 来自:江苏
回复 自然风装饰 的帖子
  \, l" W. W8 _2 [6 J& w$ C' N# f* G6 h+ C6 Y/ a7 c. g+ |* j  i
只是希望提供下简单的草图,装修构想而已,没要求提供装修效果图啊。不算太过分吧
" S; F: \: r* ]! |
5 d% u) [$ ^6 k7 n/ h房子情况描述了这么多,大致的情况就算不去看房,也应该知道得差不多了吧。如果说希望去看房子之后再详谈报价我也能理解,但是还是应该先让我知道大致构想和整个预算的一个范围吧。
5 |8 A0 Y5 ?$ c+ [; `
7 b% P6 a# w! J" z# J0 ?7 P5 X9 {8 E7 f6 S7 H) \, m
回复 支持 反对

使用道具 举报

匿名
发表于 2011-7-12 12:31 | 显示全部楼层 来自:江苏
提示: 作者被禁止或删除 内容自动屏蔽
回复 支持 反对

使用道具 举报

匿名
发表于 2011-7-12 14:00 | 显示全部楼层 来自:江苏
提示: 作者被禁止或删除 内容自动屏蔽
回复 支持 反对

使用道具 举报

匿名
发表于 2011-7-12 16:23 | 显示全部楼层 来自:江苏
提示: 作者被禁止或删除 内容自动屏蔽
回复 支持 反对

使用道具 举报

该用户从未签到

 楼主| 发表于 2011-7-12 16:29 | 显示全部楼层 来自:江苏
回复 朗琪壁纸 的帖子
1 {5 S9 d0 _9 p7 h9 Y
! H+ {! y1 j0 n9 r- J3 _: X小房间准备贴墙纸的,有什么推荐的吗?
% @& N8 P' S$ {; l$ ^( g! K
回复 支持 反对

使用道具 举报

该用户从未签到

 楼主| 发表于 2011-7-12 16:35 | 显示全部楼层 来自:江苏
回复 朗琪壁纸 的帖子
& H* P2 ]; i7 J& e3 G) {
5 J" @. A( @% f: d4 L% v4 h顺便问下,南通有订做书柜、卧室橱柜的吗?! F) S; F+ r# ~" B
木工师傅做的虽然结实耐用,不过美观方面确实是差了那么一点点
0 p( P5 `# L+ l  Y
回复 支持 反对

使用道具 举报

匿名
发表于 2011-7-12 19:44 | 显示全部楼层 来自:江苏
提示: 作者被禁止或删除 内容自动屏蔽
回复 支持 反对

使用道具 举报

匿名
发表于 2011-7-12 21:14 | 显示全部楼层 来自:江苏
提示: 作者被禁止或删除 内容自动屏蔽
回复 支持 反对

使用道具 举报

该用户从未签到

 楼主| 发表于 2011-7-12 22:40 | 显示全部楼层 来自:江苏
回复 朗琪壁纸 的帖子- n, W" R4 M2 z' H' |2 V( e
* M. f" v% C2 T3 |* w* j
太客气了,谢谢。2 B4 c& n8 C" Y3 g" l1 N2 h" ]
要不你留个地址给我,我有空的时候去你店里学习一下吧$ Z7 }; l! V3 l! W( S
回复 支持 反对

使用道具 举报

匿名
发表于 2011-7-12 23:46 | 显示全部楼层 来自:江苏
提示: 作者被禁止或删除 内容自动屏蔽
回复 支持 反对

使用道具 举报

匿名
发表于 2011-7-13 10:08 | 显示全部楼层 来自:江苏
提示: 作者被禁止或删除 内容自动屏蔽
回复 支持 反对

使用道具 举报

匿名
发表于 2011-7-13 18:10 | 显示全部楼层 来自:江苏
提示: 作者被禁止或删除 内容自动屏蔽
回复 支持 反对

使用道具 举报

匿名
发表于 2011-7-13 19:58 | 显示全部楼层 来自:江苏
提示: 作者被禁止或删除 内容自动屏蔽
回复 支持 反对

使用道具 举报

匿名
发表于 2011-7-13 20:01 | 显示全部楼层 来自:江苏
提示: 作者被禁止或删除 内容自动屏蔽
回复 支持 反对

使用道具 举报

该用户从未签到

 楼主| 发表于 2011-7-14 10:31 | 显示全部楼层 来自:江苏
回复 fyj18761700090 的帖子
( L& X) Z+ E8 o5 P& v2 l$ c. F: M
好的 我发到你的qq信箱里吧
回复 支持 反对

使用道具 举报

匿名
发表于 2011-7-30 14:09 | 显示全部楼层 来自:江苏
提示: 作者被禁止或删除 内容自动屏蔽
回复 支持 反对

使用道具 举报

匿名
发表于 2011-7-28 12:33 | 显示全部楼层 来自:北京
提示: 作者被禁止或删除 内容自动屏蔽
回复 支持 反对

使用道具 举报

该用户从未签到

 楼主| 发表于 2011-7-28 16:32 | 显示全部楼层 来自:江苏
回复 搜房装修帮-杂草 的帖子
0 S7 e) i1 _8 E" C% G! z  X. ]: e. ^+ |, |3 G
谢谢你的估价% s# `7 f8 r5 o9 j4 L7 S' X5 _
回复 支持 反对

使用道具 举报

匿名
发表于 2011-7-28 16:35 | 显示全部楼层 来自:江苏
提示: 作者被禁止或删除 内容自动屏蔽
回复 支持 反对

使用道具 举报

您需要登录后才可以回帖 登录 | 注册

本版积分规则

手机版|无图版|站务联系 | 商务合作 | 平台公约

信息产业部备案:苏ICP备05014191号-1 经营性ICP许可证:苏B2-20110445 苏公网安备 32060202000307号 © 2001-2019 0513.org All Right Reserved.

投诉争议 技术支持:第一互联 GMT+8, 2025-12-17 23:27 , Processed in 0.152257 second(s), 13 queries , MemCache On. 站点统计

快速回复 返回顶部 返回列表